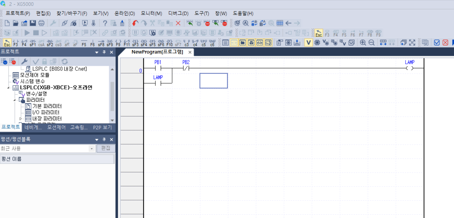
오늘은 PLC(Programmable Logic Controller)의 기초부터 시작해서 자기유지회로와 XGB PLC의 특징을 간단하게 살펴보겠습니다. 더불어, 시뮬레이션 모드와 모니터 모드의 차이도 비교해보며, SCADA 시스템의 활용법도 알아보겠습니다. 🚀 ⚙️ 자기유지회로 (Self-Holding Circuit)자기유지회로는 PLC 프로그래밍에서 자주 사용되는 중요한 회로로, 입력 신호가 끊겨도 출력 상태가 유지되도록 만들어주는 회로입니다. 이를 통해, 모터나 히터와 같은 장치들을 안정적으로 제어할 수 있습니다.어떻게 작동할까요?🔑 입력 신호가 활성화되면, 출력을 유지하도록 만들어줍니다. 이때, 출력 상태를 끄기 위해서는 별도의 신호가 필요합니다.🔍 XGB PLC의 특징XGB PLC는 ..